Y2系列三相异步电动机

  • 产品分类: Y2系列三相异步电动机
  • 生产厂家: ky体育官网下载
  • 价格: 来电咨询
  • 添加时间: 19/12/24
  • 点击次数:  
  • 二 维 码:

    手机浏览

    更方便

产品详情

 Y2系列三相异步电动机是 Y 系列电机的更新换代产品,是全封闭自扇冷式鼠笼型三相异步电动机。其效率高,节能,起动转距大,并且提高了防护等级,降低了噪音,机构更加合理,外形新颖美观。Y2电机冷却方式为IC411,安装尺寸及功率等级完全符合IEC标准(与Y系列相同)。Y2系列三相异步电动机的防护等级为IP54,采用F级绝缘。额定电压为380V,额定频率为50HZ。3KW以下为Y接法,4KW以上为Δ接法。

  该产品广泛应用于国民经济各个领域,如机床、水泵、风机、压缩机、运输机械、农业机械、食品机械等,也可在石油、化工、医药、矿山及其它环境条件比较恶劣的场合做原动机使用

-> 安装方式:

 B3 型 - - 机座有底脚,端盖上无凸缘。

 B5 型 - - 机座无底脚,端盖上有大凸缘,轴伸在凸缘端。

 B35型 - - 机座有底脚,端盖上有大凸缘,轴伸在凸缘端。

型号说明:








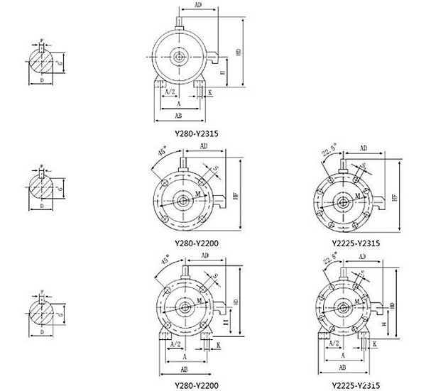
外形及安装尺寸:(单位:毫米 until:mm)







tags:Y2系列三相异步电动机厂家,Y2系列三相异步电动机价格
点击次数:   更新时间:19/12/24 16:16:12   【打印此页】   【关闭【返回上一页】
联系人:姜经理
联系电话:139-6930-5439
地址:山东省淄博市博山城东街道后峪工业园
Baidu
map