刀架电机

  • 产品分类: 数控机床刀架电机系列
  • 生产厂家: ky体育官网下载
  • 价格: 来电咨询
  • 添加时间: 19/12/24
  • 点击次数:  
  • 二 维 码:

    手机浏览

    更方便

产品详情
产品介绍:
一、概述
YLJ、YLER系列力矩三相异步电动机同、具有起动转矩大,堵转电流小,机械特性较软,或带有制动器和温度保护,结构紧凑,体积小等特点。该系列电动机工作制为断续周期工作制(S5)。
YLER和YLJ系列电动机主要用在机床自动刀架转位原件,是引进国外产品的替代产品。
YLER系列力矩电机是由电动机、制动器、热保护器三者组成一体,整机结构紧凑,体积小。
二、型号说明


 

 
三、安装型式
1.机座无底脚,端盖有凸缘,凸缘有通孔。
2.机座无底脚,轴伸端无端盖,机座上有螺孔。
四、使用条件
环境温度:温度高为40℃,低为-15℃
海拔不超过1000m
电源电压380V频率50HZ
五、技术数据、外形及安装尺寸

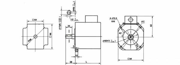
YLER-5-6与YLER-9.4-6外形及安装尺寸见表1、图1。
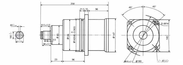
YLER-18-4A外形及安装尺寸见图2。

表1
单位mm

注:1)配用95×2.65“○”型密封圈。
2)配用120×2.65“○”型密封圈。


六、YLJ系列技术数据、外形及安装尺寸(图3、表2)




tags:刀架电机厂家,刀架电机价格
点击次数:   更新时间:19/12/24 16:25:12   【打印此页】   【关闭【返回上一页】
联系人:姜经理
联系电话:139-6930-5439
地址:山东省淄博市博山城东街道后峪工业园
Baidu
map